
特种设备的定义
(一)依据《中华人民共和国特种设备安全法》第二条规定:
特种设备的生产(包括设计、制造、安装、改造、修理)、经营、使用、检验、检测和特种设备安全的监督管理,适用本法。
本法所称特种设备,是指对人身和财产安全有较大危险性的锅炉、压力容器(含气瓶)、压力管道、电梯、起重机械、客运索道、大型游乐设施、场(厂)内专用机动车辆,以及法律、行政法规规定适用本法的其他特种设备。
国家对特种设备实行目录管理。特种设备目录由国务院负责特种设备安全监督管理的部门制定,报国务院批准后执行。

现行《特种设备目录》共10个种类,48个类别、99个品种。
特种设备包括所属的安全附件和安全保护装置 。
《特种设备目录》范围内的特种设备不是全部由《中华人民共和国特种设备安全法》调整,也不是全部由特种设备安全监督管理部门监管。
(二)依据《特种设备安全监察条例》《特种设备目录》规定:
(1)锅炉,是指利用各种燃料、电或者其他能源,将所盛装的液体加热到一定的参数,并通过对外输出介质的形式提供热能的设备,其范围规定为设计正常水位容积大于或者等于30L,且额定蒸汽压力大于或者等于0.1MPa(表压)的承压蒸汽锅炉;出口水压大于或者等于0.1MPa(表压),且额定功率大于或者等于0.1MW的承压热水锅炉;额定功率大于或者等于0.1MW的有机热载体锅炉。


锅炉的分类及基本构成

承压蒸汽锅炉(电站锅炉)

承压蒸汽锅炉(卧式)

承压蒸汽锅炉(立式)

热水锅炉
(2)压力容器,是指盛装气体或者液体,承载一定压力的密闭设备,其范围规定为最高工作压力大于或者等于0.1MPa(表压)的气体、液化气体和最高工作温度高于或者等于标准沸点的液体、容积大于或者等于30L且内直径(非圆形截面指截面内边界最大几何尺寸)大于或者等于150mm的固定式容器和移动式容器;盛装公称工作压力大于或者等于0.2MPa(表压),且压力与容积的乘积大于或者等于1.0MPa?L的气体、液化气体和标准沸点等于或者低于60℃液体的气瓶;氧舱。


压力容器分类及基本构成




液化石油气瓶

无缝气瓶

溶解乙炔气瓶

钢制焊接气瓶

金属内胆纤维环缠绕气瓶

车用CNG金属内胆纤维环缠绕气瓶

管束式集装箱用大容积钢制无缝气瓶

长管拖车用大容器钢制无缝气瓶

制冷机组


(3)压力管道,是指利用一定的压力,用于输送气体或者液体的管状设备,其范围规定为最高工作压力大于或者等于0.1MPa(表压),介质为气体、液化气体、蒸汽或者可燃、易爆、有毒、有腐蚀性、最高工作温度高于或者等于标准沸点的液体,且公称直径大于或者等于50mm的管道。公称直径小于150mm,且其最高工作压力小于1.6MPa(表压)的输送无毒、不可燃、无腐蚀性气体的管道和设备本体所属管道除外。其中,石油天然气管道的安全监督管理还应按照《安全生产法》、《石油天然气管道保护法》等法律法规实施。

压力管道的分类



(4)电梯,是指动力驱动,利用沿刚性导轨运行的箱体或者沿固定线路运行的梯级(踏步),进行升降或者平行运送人、货物的机电设备,包括载人(货)电梯、自动扶梯、自动人行道等。非公共场所安装且仅供单一家庭使用的电梯除外。


电梯工作原理示意图
1.控制柜;2.导向轮;3.曳引钢丝绳;4. 曳引轮;5.轿厢;6.对重



电梯的分类及基本构成

客梯

货梯

自动扶梯

自动人行道

杂物梯

观光梯
(5)起重机械,起重机械,是指用于垂直升降或者垂直升降并水平移动重物的机电设备,其范围规定为额定起重量大于或者等于0.5t的升降机;额定起重量大于或者等于3t(或额定起重力矩大于或者等于40t·m的塔式起重机,或生产率大于或者等于300t/h的装卸桥),且提升高度大于或者等于2m的起重机;层数大于或者等于2层的机械式停车设备。

起重机械的分类

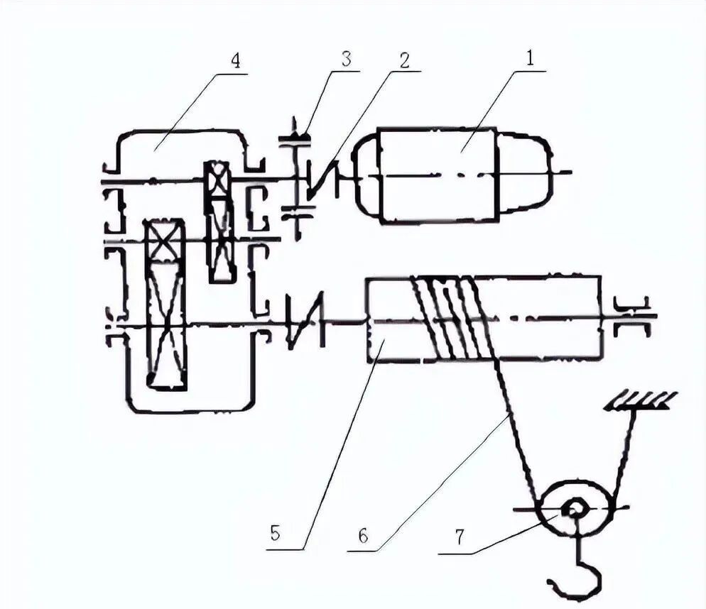
1.电动机 2.联轴器 3.制动器 4.减速器 5.卷筒 6.钢丝绳 7.滑轮和吊具起升机构工作原理图

通用门式起重机

门式起重机

通用桥式起重机

桥式起重机

门座式起重机

桅杆式起重机

电动单梁起重机

升降作业平台,现已不在《特种设备目录》中

机械式停车设备
(6)客运索道,是指动力驱动,利用柔性绳索牵引箱体等运载工具运送人员的机电设备,包括客运架空索道、客运缆车、客运拖牵索道等。非公用客运索道和专用于单位内部通勤的客运索道除外。

客运索道的分类
按支撑物的不同,分三大类。

客运架空索道
利用架空的绳索支撑运载工具运送乘客。

客运拖牵索道
利用运载钢丝绳作为牵引动力带动拖牵杆拉乘客移动的设施。分高位(拖牵索距地面高度大于2m)、低位拖牵索道。

客运缆车
利用钢丝绳作为牵引动力带动车厢在轨道上移动的设施。换言之,运载工具沿地面轨道或由固定结构支撑的轨道运行的设施。按照轨道的不同分为单轨道、有会车段和双轨道缆车三类。
(7)大型游乐设施,是指用于经营目的,承载乘客游乐的设施,其范围规定为设计最大运行线速度大于或者等于2m/s,或者运行高度距地面高于或者等于2m的载人大型游乐设施。用于体育运动、文艺演出和非经营活动的大型游乐设施除外。

大型游乐设施的分类
《特种设备目录》中,大型游乐设施共分13个类别、18个品种
观览车类---乘人部分绕水平轴回转

观览车类--摩天轮

观览车类--摇滚排排坐

观览车类--阿拉伯飞毯
滑行车类---沿轨道运行,有惯性滑行特征

滑行车类--过山车

滑行车类--激流勇进

滑行车类--疯狂老鼠
架空游览车类---沿轨道运行,有惯性滑行特征

架空游览车类--太空漫步

架空游览车类--儿童爬山车
陀螺类---座舱绕可变倾角的轴做回转运动,主轴大都安装在可升降的大臂上

陀螺类--天旋地转

陀螺类--逍遥水母
飞行塔类---乘人部分用挠性件吊挂,边升降边绕垂直轴回转

飞行塔类--青蛙跳

飞行塔类--跳跃云霄

飞行塔类--太空梭

飞行塔类--飞行塔
转马类---乘人部分绕垂直轴旋转

转马类--旋转木马
自控飞机类---乘人部分绕中心垂直轴回转并升降

自控飞机类--自控飞机

自控飞机类--章鱼类
滑道类---是指沿轨道、惯性滑行行为运动形式的游艺机。在滑行过程中操作人员是无法控制的,只能顺其自然。

滑道类

滑道类--峡谷漂流

滑道类--水滑梯
无动力类---游乐设施本身无动力,由乘客自行在其上操作和游乐。蹦极系列、滑索系列、观光气球系列、空中飞人系列人力驱动的转盘、翻斗乐、蹦床、充气弹跳等。

无动力类

无动力类

无动力类--蹦极
(8)场(厂)内专用机动车辆,是指除道路交通、农用车辆以外仅在工厂厂区、旅游景区、游乐场所等特定区域使用的专用机动车辆。

场(厂)内专用机动车的分类

叉车,注:改变叉具的不属于叉车

平衡重式叉车

插腿式叉车

侧面式叉车

前移式叉车

托盘堆垛车

三向堆垛车

非公路用旅游观光车

非公路用旅游观光列车
转载自:四川特协

点我访问原文链接